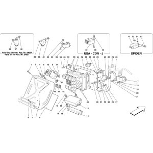
000 コンプリート・ダッシュボード・エレクトリック・コントロール・ステーション/355(5.2 Motronic)
186,000円(税別)
(税込: 204,600円)
001 フット‐レスト・パッセンジャー用/355(5.2 Motronic)
7,200円(税別)
(税込: 7,920円)
7,440円(税別)
(税込: 8,184円)
003 ラバー/355(5.2 Motronic)
600円(税別)
(税込: 660円)
008 リレー・ネームプレート/355(5.2 Motronic)
6,000円(税別)
(税込: 6,600円)
3,600円(税別)
(税込: 3,960円)
009 ドア・ロッキング・エレクトリック・ユニット/355(5.2 Motronic)
011 ブラケット/355(5.2 Motronic)
013 ショック・アブソーバー・コントロール・ステーション/355(5.2 Motronic)
170,400円(税別)
(税込: 187,440円)
309,600円(税別)
(税込: 340,560円)
017 ターミナル・ボックス/355(5.2 Motronic)
020 コネクティング・プレイト/355(5.2 Motronic)
8,400円(税別)
(税込: 9,240円)
022 ワッシャー/355(5.2 Motronic)
023 ABS カット‐アウト・コントロール・ステーション/355(5.2 Motronic)
67,200円(税別)
(税込: 73,920円)
026 フューエル・レベル・インジケーター・コントロール・ステーション/355(5.2 Motronic)
183,000円(税別)
(税込: 201,300円)